Доработка реле поворотов 495.3747 | Мастер Винтик. Всё своими руками!
В последнее время стало применение светодиодных автомобильных ламп. Они более долговечные и потребляют меньше тока. Последнее как раз и влияет на работу реле поворотов, изменяя его частоту. Периодичность работы реле привязана к сопротивлению нагрузки, то есть к установленным лампам. При увеличении сопротивления нагрузки, что именно и происходит при перегорании или размыкании одной из ламп реле начинает срабатывать наиболее часто. Тот же самый эффект наблюдается и при установке светодиодов в указатели поворотов, так как их потребляемая мощность меньше, а это значит сопротивление значительно больше.
Изучив материал данной статьи, вы сможете доработать штатное реле указателей поворотов для светодиодов, чтобы оно срабатывало с нужной вам периодичностью.
Прежде всего немного о штатном реле. Реле указателей поворотов 3 контактное о котором пойдет речь устанавливается на автомобили начиная с ВАЗ 2108 по настоящее время, то есть на ВАЗ 2109, 2110, 2111, 2112, Ладу Приору, Ладу Калину, автомобили ГАЗ. Маркировка 495.3747-ХХ.

Для доработки реле необходимо будет вскрыть корпус. Для этого возьмите отвертку с плоским лезвием и снимите крышку корпуса оттягивая пластмассу защелок с двух противоположных сторон.
Теперь разберемся, что в этой схеме за что отвечает и как нам изменить работу чтобы при увеличенной нагрузки не изменилась частота срабатывания указателей поворотов. Первое это подключение. К выводу 31 подключается масса. 49а — вывод на лампы, 49 — вход «+» от выключателя указателя поворотов.

R3 — резистор ограничивающий ток на управляющую базу транзистора в микросхеме; R1 и С11 — именно эти радиоэлементы и отвечают за частоту выходного сигнала от ножки 3 микросхемы. От ножки 3 осуществляется питание обмоткой реле; Вывод 7 — тоже интересный вывод. Вывод контролирующий изменение сопротивления и соответственно напряжения на контакте 49 а. Именно он и дает команду микросхеме менять частоту при перегорании ламп. Микросхемы могут стоять не только указанные на схеме, но и например,КР1055ГП1Б и т.п. аналоги. Теперь представляя функциональное назначение элементов реле, нетрудно определиться с мерами по сохранению частоты срабатывания указателей поворотов при изменении их внутреннего сопротивления, то есть например при установке светодиодов.
Возможно изменить номинал емкости, увеличить его в два раза (заменив на конденсатор 4,7 мкФ вместо 2,2 мкФ — на фото емкость увеличена за счет параллельного подключения дополнительного конденсатора к штатному), но при этом наблюдается некорректная работа аварийной сигнализации.

Она будет работать с частотой в два раза ниже. Вариант с изменением сопротивления тоже не совсем удачен. Так как фактически здесь придется эмпирическим путем подбирать резистор ограничивающий ток на вывод 4, тоже не совсем удачный вариант.
Схема включения реле поворотов 495.3747

Остается последний и пожалуй наилучший выход. Фактически убрать контроль за сопротивлением нагрузки. Разрезав фольгу на печатной плате (красная линия) идущую к выводу 7 микросхемы мы получим устойчивое по частоте срабатывание указателей поворотов.
После этой переделки резистор R2 нужно уменьшить до 60 — 200 Ом.

Единственным недостатком такой доработки реле для светодиодов будет отсутствие за контролем перегоревших светодиодов, так как мы убрали фактически зависимость частоты от сопротивления нагрузки.
Использованы материалы сайта: autosecret.net
Как защитить кузов своего автомобиля от коррозии не переплачивая автомеханику.
Так как я заядлый автомобилист, меня интересует все что связанно с машинами. Перед каждым авто владельцем стоит задача защиты кузова автомобиля от коррозии. О таком оригинальном способе я читал и раньше, еще в начале прошлого века его использовали при защите корпусов кораблей. Но с коммерческим применением такой чудо технологии я столкнулся впервые. Читая рекламу в газетах я наткнулся на рекламу «Электрохимическая защита кузова автомобиля от коррозии», прочитав краткую статью я решил узнать поподробней в самом автосервисе. Подробнее…
Звуковой сигнализатор для автомобиля.
Звуковой сигнализатор автомобиля предназначен для дублирования двухтональным сигналом всех аварийных и «поворотной» контрольных ламп автомобиля, а также сигнализирования о превышении бортового напряжения свыше 17в.
Подробнее…
Способы отопления гаража
Очень удобно хранить машину в гараже. Особенно зимой — она лучше заводится, меньше происходит износ деталей и т.д. и т.п. Гараж — это хороший домик для вашего любимого авто
Замена реле поворотов скутера
Штатное реле поворотов скутеров самых распространенных моделей состоит из:
- удерживающей обмотки;
- притягивающей обмотки;
- конденсатора;
- резистора;
- пластикового корпуса;
- креплений и проводки.
Принцип работы реле и уход за ним
Как и устройство самого реле, принцип его работы максимально прост. Поступающий в узел ток идет через обе обмотки реле и служит для заряда конденсатора. При достижении конденсатором заряда определенной мощности ток, текущий через притягивающую обмотку станет достаточно сильным для срабатывания реле. При этом удерживающая и притягивающая обмотки разъединяются. После этого конденсатор разряжается с помощью удерживающей обмотки до определенного уровня. Реле отключается, и весь рабочий цикл повторяется снова. Назначение резистора в этой схеме – разрядить конденсатор при отключении электропитания скутера (а значит его полной остановки).
Реле поворотов в эксплуатации почти ничем не отличается от остального электрооборудования. Это значит, что и уход за ним требует тех же условий и манипуляций, что и все электрические приборы скутера, а именно:
- предохранение устройства от проникновения влаги внутрь корпуса;
- предотвращение попадания химических или других агрессивных веществ на провода и соединения этого узла;
- ударов, сжатия, давления или других механических воздействий на корпус устройства, которые могут повлечь его повреждения или порчу;
- предотвращения перегрузок в цепях электрического питания скутера и, как следствие, короткого замыкания, что неизменно приводит к выходу из строя данного узла системы освещения.
Кроме того, реле, как и другие детали и системы скутера, необходимо содержать в чистоте, то есть периодически проводить протирание и обработку специальными средствами от грязи, пыли и наслоений маслянистых веществ.
Виды повреждений, порядок разборки и замена реле поворотов
Основными показателями частичного или полного отказа реле поворотов являются:
- нестабильное или более частое включение (мигание) лампочек поворотов;
- невозможность включить повороты (лампочка не реагирует на переключатель);
- лампочки поворотов включаются, но не мигают (просто горят и тухнут только после выключения).
Если подобные симптомы проявляются при полной работоспособности ламп и проводки – значит пришла пора заменить реле поворотов. А для этого, естественно, необходимо разобрать ту часть скутера, которая мешает свободному доступу к данному узлу. В разных моделях скутеров расположение реле может варьироваться от пространства под передним пластиком до задней части транспортного средства. В зависимости от этого и проводится разборка передней или боковой частей скутера.
При разборке скутера для замены реле необходимо:
- установить скутер на ровной поверхности на центральную подножку;
- определить расположение реле на данном скутере, руководствуясь инструкцией по эксплуатации;
- открутить и снять пластик в месте расположения реле;
- освободить деталь от хомутов крепления (в большинстве случаев они резиновые);
- извлечь деталь;
- аккуратно отсоединить пластиковый разъем реле (он может быть как с дополнительной проводкой, так и без нее);
- подключить новое реле к бортовой сети;
- установить деталь на место и зафиксировать ее с помощью хомутиков;
- установить снятый пластик на место и надежно прикрутить его фиксирующими болтами.
Процедура замены реле поворотов – один из самых простых видов ремонта скутера, с которым справится даже неопытный начинающий водитель – владелец.
Однако при проведении замены реле поворотов не следует пренебрегать общими правилами для всех видов ремонта скутеров, а именно:
- перед началом разборки нужно тщательно очистить, помыть и просушить скутер (особенно труднодоступные места и места максимально подверженные воздействию грязи);
- проводить ремонт в чистом помещении и только с использованием чистых инструментов (ключей, отверток, емкостей);
- следует запастись емкостью (или несколькими) для складывания мелких деталей (болтов, гаек, уплотнительных колец).
После установки нового реле нужно проверить его функциональность, проехав на скутере некоторое расстояние.
Элементы цепи зажигания.
Одной из самых важных электрических цепей скутера является схема зажигания. В неё входят модуль зажигания CDI (1), катушка зажигания (2), свеча зажигания (3).
Модуль зажигания CDI.
Модуль зажигания CDI (1) выполняется в виде небольшой коробочки залитой компаундом. Это усложняет разборку блока CDI в случае его неисправности. Хотя модульная конструкция этого блока упрощает процесс его замены.
К модулю CDI подключается 5 проводников. Сам модуль CDI располагается в донной части корпуса скутера недалеко от аккумуляторного отсека и закрепляется на раме резиновым фиксатором. Доступ к блоку CDI затрудняется тем, что он расположен в донной части и закрыт декоративным пластиком, который приходится полностью снимать.

Катушка зажигания.
Катушка зажигания (2). Сама катушка зажигания располагается с правой стороны скутера и закреплена на раме. Представляет собой некий пластиковый бочонок с двумя разъёмами для подключения и выводом высоковольтного провода, который уходит к свече зажигания.

Конструктивно катушка зажигания расположена рядом с пусковым реле. Для защиты от пыли, грязи и случайных замыканий катушка закрывается резиновым чехлом.
Свеча зажигания.
С помощью высоковольтного провода катушка зажигания соединяется со свечой зажигания A7TC (3).
На скутере свеча зажигания оказалась хитроумно запрятана, и с первого раза её можно искать довольно долго. Но если «пойти» вдоль высоковольтного провода от катушки зажигания, то провод приведёт нас прямиком к колпачку свечи зажигания.

Колпачок снимается со свечи небольшим усилием на себя. Он фиксируется на контакте свечи упругой металлической защёлкой.
Стоит отметить, что высоковольтный провод подсоединяется к колпачку без пайки. Многожильный провод в изоляции просто накручивается на контакт-шуруп встроенный в колпачок. Поэтому сильно дёргать за провод не стоит, иначе можно выдернуть провод из колпачка. Устраняется это легко, но провод придётся укоротить на 0,5 – 1 см.
До самой свечи зажигания добраться не так-то просто. Для её демонтажа необходим торцовый ключ. С его помощью свеча просто вывёртывается из посадочного места.
Стартер (8). Стартер служит для запуска двигателя. Расположен он в средней части скутера рядом с двигателем. Добраться до него нелегко.

Запуском стартера управляет пусковое реле (10).

Пусковое реле размещено с правой стороны на раме скутера. На пусковое реле приходит толстый красный провод от плюсовой клеммы аккумулятора. Так запитывается пусковое реле.
Датчик и индикатор топлива.
Датчик уровня топлива (14) встроен в топливный бак.
От датчика отходят три провода. Зелёный является общим (минус питания), а двумя другими датчик подключается к индикатору уровня топлива (11), который установлен на приборной панели скутера.
Датчик топлива (14) и индикатор (11) являются одним устройством и запитываются постоянным стабилизированным напряжением. Так как два этих устройства разнесены между собой, то они соединяются трёхконтактным разъёмом. Плюсовое напряжение питания поступает на индикатор топлива и датчик по чёрному проводу с замка зажигания.
Если разомкнуть трёхконтактный разъём, идущий от датчика топлива, то индикатор топлива перестанет показывать уровень топлива в баке. Поэтому, если у вас не работает индикатор топлива, то проверьте соединительный разъём между датчиком и индикатором топлива, а также убедитесь, что на них подаётся напряжение питания.
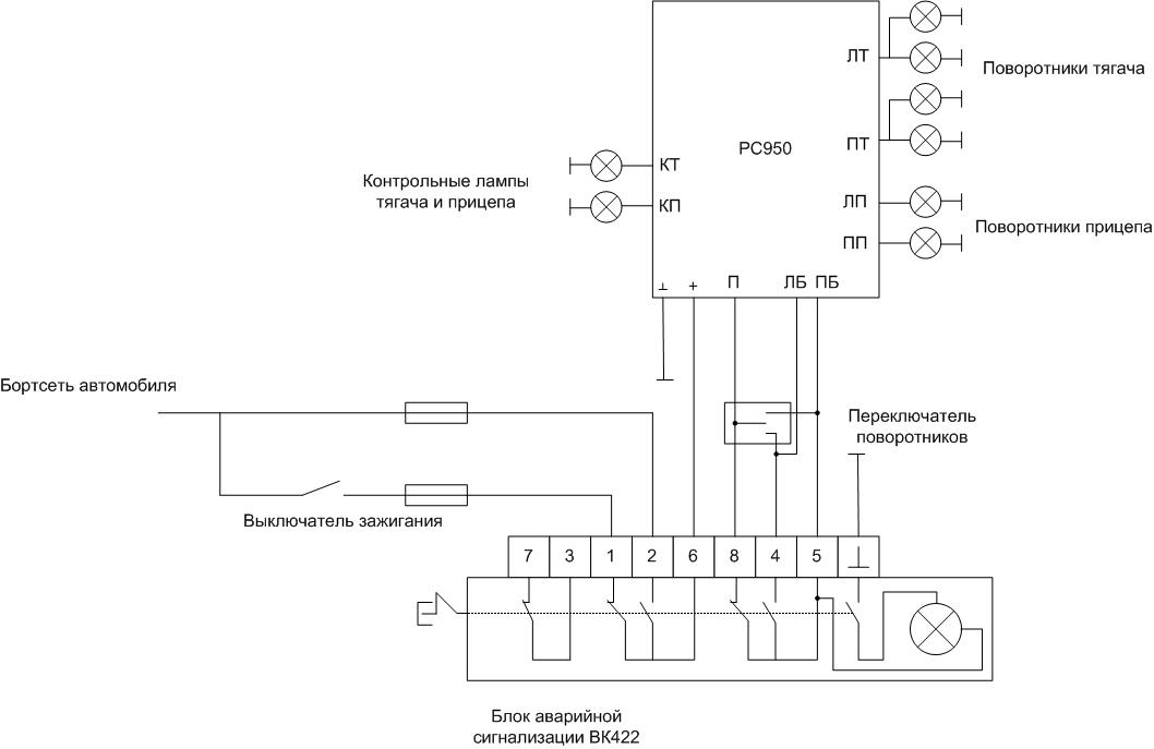
Схемы подключения поворотников на автомобиле
У первых массовых автомобилей СССР, а также у иномарок тех лет выпуска, система переключения поворотников строилась на электромагнитнотепловых реле РС57 или аналогичных. Такое реле включается в разрыв провода, идущего к фонарям поворотников. Лампы (на легковом автомобиле их устанавливается 6 штук) соединяются параллельно в две группы из трех светильников. В состав реле входит термочувствительный элемент, который включается последовательно с нитями ламп. Через эту цепь идет ток, нагревающий нихромовую нить, которая циклически удлиняется при нагреве и укорачивается при остывании. Тем самым обеспечивается регулярное замыкание и размыкание цепи питания фонарей. Если одна лампа перегорает, то ток уменьшается, частота мигания увеличивается. Это служит индикацией выхода из строя осветительного прибора.

Реле-прерыватель РС57.
Также имеется возможность подключения контрольной лампы. Она устанавливается на панели приборов и повторяет состояние фонарей поворотников. По тому же принципу действует реле РС410, но у него нет отдельного выхода на контрольную лампу.
Схема подключения РС57.
Недостатком прерывателя является короткий срок службы и высокий уровень нагрева при работе. Поэтому реле неспособно к длительному включению, и построить на нем аварийную сигнализацию нельзя – прибор быстро выйдет из строя. Поэтому в более современных автомобилях применяется электронное реле – РС590 или его аналоги. Выпускалось несколько модификаций этого прибора.
| Реле | Особенность применения |
|---|---|
| РС590 | Для автомобилей с прицепом |
| РС590Б | Для автомобилей без боковых повторителей поворотников |
| РС590К | Для автомобилей без прицепа |
| РС590Е | Для автомобилей «Москвич-2140» с двухрежимной сигнализацией – при включении габаритов (в темное время суток) яркость поворотников уменьшалась |
| РС590И | Для автомобилей «Москвич-2140» с двухрежимной сигнализацией и прицепом |
| РС590П | Для прицепов |
Реле-прерыватель РС590.
Также выпускалась серия реле РС951 для автомобилей с бортсетью 24 вольта.
Схема включения РС590.
С развитием ассортимента электронных компонентов, реле поворота стали строиться на новой базе, и количество разновидностей лавинообразно выросло. Так, один из справочников по устройству и ремонту электронных приборов автомобилей, изданный в 2003 году, содержит более 30 типов прерывателей. Структурная схема их одинакова:
- задающий генератор;
- усилитель можности (реле или транзистор);
- сервисные схемы (контроль состояния ламп и т.д.).
Подключаются к бортсети все устройства через блоки аварийной сигнализации. Сформированные импульсы через переключатель сигналов поворота поступают на лампы. Для примера приведена схема поворотников на реле 495.3747 в схеме автомобиля ВАЗ-2110.

Схема управления указателей поворотов автомобиля ВАЗ-2110 на базе прерывателя 495.3747.
Прерыватель выполнен на базе микросхемы УР1101ХП32 (полный аналог ASXP193, функциональный аналог U2043 фирмы ТЕМ1С).

Реле-прерыватель 495.3747.
Схема подключения поворотников через электронное реле меняется от автомобиля к автомобилю, для проверки работоспособности и замены неисправных элементов надо анализировать устройство электрооборудования конкретной машины.

























































