Агрегат из бензопилы
На базе этого инструмента можно изготовить детский снегокат. Однако и взрослые могут использовать самодельный снегоход из бензопилы. На первом этапе предстоит определиться с типом инструмента. Его марка не имеет принципиального значения, если силовая установка исправна. Чтобы сделать снегоход из бензопилы, кроме мотора, потребуется редуктор.
Для изготовления рамы можно взять металлические уголки и две пластины. Сначала загибаются края листов под углом в 90 градусов, а затем в них сверлятся отверстия. В передней части конструкции монтируется гусеничный вал, а в задней — ось для зубчатых колес. Также к нижней части рамы следует приварить кронштейны, параллельно друг другу.
В нижние пазы устанавливается ось для 18 опорных катков, расположенных в шахматном порядке. На лонжероне необходимо установить 3 стойки, изготовленные из уголка. Для усиления конструкции, стойки соединяются поперечными балками. В передней части крепится второй лист, на котором будут размещаться промежуточный вал и редуктор. Следующим шагом станет изготовление подрамника из металлических труб.
На трубчатый приводной вал устанавливается фланец. На оконечности вала привариваются цапфы, причем правая должна иметь большую длину в сравнении с левой. На это удлинение затем будет установлена звездочка цепной передачи. Так как снегокат не способен развивать большие скорости, то можно обойтись без тормозной системы.
Сделать самодельный снегоход вполне реально, но придется приложить усилия. Однако учитывая разницу в стоимости с готовыми решениями, это определенно стоит того.
Пошаговая инструкция для изготовления снегохода из бензопилы «Дружба»
Как уже неоднократно сказано процесс изготовления зависит от выбранного варианта конструкции, чертежа. Есть сложные схемы, но существует один довольно простой вариант с использованием в качестве основы конструкции обычного снегоката. Он подкупает тем, что уже имеется готовая несущая база основания, рулевое управление и вполне удобное сидячее место. Задача состоит в том, чтобы усилить боковые лыжи, а также закрепить на раме двигатель, передаточный механизм и гусеницу.
Поэтапная инструкция сборки:
- В первую очередь необходимо усилить боковые лыжи. Это можно сделать, приварив к ним профиль или трубы. К ним же крепятся опорные подшипники переднего и заднего натяжных валов. Размер усилительного основания зависит от диаметра переднего вала. Для обеспечения наилучшего сцепления нижняя часть вала должна быть на одном уровне с лыжами.
- Следующий этап — изготовление каркаса крепления гусеницы. Он выполняется из уголка и профильной трубы размером 30х30 мм. Длина каркаса берется с расчетом размеров рамы для крепления двигателя с бензобаком в задней части снегоката. Ширина в пределах ширины снегоката.
- Натяжение гусеницы производится при помощи валов. Работает по принципу натяжения цепи в бензопиле. Натяжной вал перемещается при помощи болта, который в свою очередь фиксируется на раме. В качестве натяжных валов можно использовать бескамерные колеса от ручных тележек, катки от сельскохозяйственной техники или изготовить их вручную вырезав из пластика. Также необходимо установить опорные ролики для гусеницы, только уже без натяжного механизма. Изготавливаются они так же как и натяжные. Для обеспечения необходимого зазора и предотвращения смещения роликов на ось устанавливаются вставочные втулки.
- Гусеница изготавливается из транспортерной ленты толщиной не менее 3 мм. На натяжные валы по центру монтируются зубчатые колеса от снегохода «Буран». Лента разрезается на две части и располагается по краям. Между кусками оставляется расстояние соразмерное ширине зубчатых колес. Траки для сцепки можно изготовить из половинок пластиковой водопроводной трубы или профиля из алюминия. Толщина траков рекомендуется более 5 мм. Крепятся траки на болты или клепки. Зазор между траками должен соответствовать шагу зубчатых колес от «Бурана».
- На задней части пока еще снегоката монтируется площадка с двигателем. На ней также устанавливается бензобак. На ведущий вал монтируется приводная звездочка, в свою очередь на двигатель тоже устанавливается звездочка. Передача усилия передается приводной цепью. Для обеспечения натяжения цепи рама с двигателем должны быть подвижной, звездочки должны находиться на одном уровне.
- После закрепления основных частей для обеспечения безопасности при эксплуатации, движущиеся части снегохода закрывают защитными кожухами из металла или пластика.
Мотокультиватор, снегоуборщик, ледобур и буроям своими руками
Мотор из бензопилы отлично подойдет и для создания мотокультиватора, предназначенного для вспашки целины (для легких грунтов). Для работы с плотными и влажными почвами мощности и крутящего момента двигателя скорее всего не хватит, а вот для взрыхления поверхностного слоя и удаления оставшихся в земле корней бурьянов культиватора из бензопилы будет достаточно. Главной деталью устройства является вращающаяся фреза, за счет которой и происходит передвижение техники по участку.

Чертеж снегоуборщика выполненного своими руками с применением бензопилы.
Если в культиваторе заменить вал с лемехами на шнек, а также оснастить конструкцию заборным устройством и трубой для откидывания снега, культиватор превращается в снегоуборочную машину. Мотора от любой пилы мощностью 3-5 лошадиных сил будет более чем достаточно для уборки рыхлого снега на участке
Важно только выполнить удобный шнековый механизм. Для этого чаще всего применяются лопасти, изготовленные из толстой резины
В качестве заборного устройства подойдут детали из оцинкованной стали. Выброс снега легко осуществить, установив пластмассовую трубу большого диаметра.
Бурить лед или промерзшую землю ручным инструментом – довольно долгое и физически сложное занятие. Создание мотобура своими руками значительно упростит выполнение этой задачи. В этом случае, помимо мотора, необходимо иметь редуктор, регулирующий количество оборотов в минуту, потому как такого сильного вращения, как у бензопилы, устройству не требуется.
На заметку! Если не имеется достаточного количества знаний относительно работы редуктора, можно обратиться за помощью к инженеру, который поможет правильно выбрать нужный механизм. Необходимый тип прибора подбирается в зависимости от характеристик мотора.
Для создания мото- или ледобура своими руками, первое, что потребуется сделать, – выполнить надежный корпус, представляющий собой усеченную пирамиду, состоящую из двух прямоугольников различных размеров. Понадобятся болгарка, сварочный аппарат и металлические трубы. Именно внутри этой рамы и будет устанавливаться редуктор, соответственно, габариты корпуса напрямую будут зависеть от размеров редуктора.

Буроям из бензопилы станет незаменимым помощников в хозяйстве.
Для надежности специалисты рекомендуют в качестве шнека взять деталь от хорошего мотобура, выполненную из прочной стали, потому как низкокачественный материал не выдержит больших нагрузок. Другой важный вопрос – надежное крепление бура, которое можно осуществить при помощи обыкновенной трубы, зафиксированной с двух сторон шпонками или шпильками. Такой способ крепления позволит менять буры или использовать другие приспособления для работы.
Изготовление балансиров
Если мормышка, как известно – изобретение российских рыболовов, то блесну-балансир подарили миру рыболовы Финляндии. Первоначально это были именно блёсны с двумя крючками, направленными в разные стороны. Впоследствии конструкция постоянно менялась и совершенствовалась, к двум крючкам добавился тройничок посередине приманки и лопасть – крыло или хвост, так что сегодня классический балансир больше напоминает не блесну, а этакий зимний «мини-воблер».
Браконьеры выловив 317 кг рыбы не понесли наказания
Группа рыболовов на допросе раскрыла название секретной приманки.
Рубрика: региональные новости.
ПОДРОБНЕЕ →
Но нет такой приманки, которую не могли бы изготовить мастера-рыболовы в домашних условиях. Большинство специалистов делает это не только из экономии, но и для собственного удовольствия, что называется, «из любви к декоративно-прикладному искусству». Кроме того, многих рыбаков попросту не устраивает игра и уловистость покупных вариантов.
Самостоятельное изготовление балансиров, на первый взгляд, представляется задачей гораздо более сложной, чем, скажем, изготовление блесны, однако на практике всё не так страшно. Особенно для тех, кто имеет маломальский опыт.
О двигателе
Будет состоять из опорно-рулевых лыж и соединяться жесткими тягами с сошкой рулевого вала. Сам руль можно взять с любого советского мотоцикла. Главное, чтобы он был 3-рычажным. Возле правой рукоятки установите манетку — небольшой рычажок, выполняющий такие же функции, как и педаль газа на автомобиле
Неважно, делаете ли вы самодельный снегоход из бензопилы «Штиль» или «Урала», манетка должна быть, так как является неотъемлемой деталью в конструкции данного аппарата
Устанавливать ее необязательно, так как в большинстве случаев самодельный снегоход из бензопилы не развивает больших скоростей и останавливается сам. Впрочем, для безопасности можно сделать тормоза, однако это существенно усложнит его конструкцию.
Нередко чрезмерное количество осадков зимой блокирует какое-либо передвижения транспорта. Однако расстраиваться в таком случае не стоит — ведь можно изготовить снегоход из бензопилы своими руками, и получать удовольствие от катания по заснеженной местности. Давайте изучим конструкцию агрегата и алгоритм его пошагового изготовления в домашних условиях.

Конструкция самодельного снегохода из бензопилы не отличается сложностью. Однако чтобы избежать возможных ошибок при его изготовлении, потребуется подготовиться и изучить порядок действий. Снегокат с мотором от бензопилы изготавливается в таком порядке:
Некоторые комплектующие можно изготовить своими руками, но есть и те элементы, которые лучше всего купить в уже готовом виде — это позволит сэкономить много времени и сил. Гусеницу и лыжи для самодельного снегохода из бензопилы лучше взять от старого советского агрегата «Буран».
Зачем нужен чертёж?
Сбор снегохода начинается с плана, то есть с чертежа. Его рекомендуется сделать самим, учитывая нестандартность и уникальность задуманного рукотворного передвижного средства. Здесь необходимо помнить, что эта рабочая схема нужна для внутреннего использования, поэтому не имеет значения уровень чертёжного искусства, а главным является то, насколько наглядно задуманное будет воплощено на схеме
При составлении чертежа важно учитывать массу конструкции: чем снегоход будет легче, тем выше будет его проходимость
Рама
По индивидуальному чертежу сваривают раму в том виде, который необходим для данного варианта самодельного снегохода. В качестве исходного материала используют деревянные бруски или металлические трубы. Проще всего сделать деревянную раму. Главные её плюсы – легко отремонтировать в полевых условиях (древесины вокруг много), хорошо держит машину на льду. Металлическую раму сваривают из труб определённого квадратного сечения, размер которого зависит от нагрузки. Её преимущество – более прочная и долговечная постройка, чем деревянная. Как всегда есть готовый вариант – взять раму от мопеда.
Сборка гусениц
После изготовления каркаса приступают к созданию гусениц, состоящих из траков и жёстких зацепов, установленных по всей их длине. Гусеницы можно изготовить из транспортёрной ленты или из автомобильных шин. Можно задействовать готовые гусеницы промышленного производства. Плюсом приобретения готовых гусениц может быть их специальное региональное предназначение, где учтены климат, рельеф местности и условия передвижения.
Внутри самодельных гусениц устанавливаются колёса. С их помощью происходит вращение траков, на которых находятся грунтозацепы (или просто зацепы).
Распространённый вариант для их изготовления – пластиковые трубы. Их распиливают на части
Грунтозацепы прикрепляются к тракам болтами, при этом важно выдержать между зацепами одинаковое расстояние, чтобы они не нарушили движение гусеницы
Чем больше ширина гусениц, тем сложнее управлять машиной, но тем выше становится проходимость. Толщина гусениц должна соответствовать мощности двигателя.
Ходовая часть
После готовности рамы и гусениц приступают к сборке конструкции с ходовой частью.
- При помощи передних подвесок к раме крепятся рулевое управление и лыжи.
- Руль часто берут от мотоцикла или скутера, но при нестандартных решениях собирают самостоятельно, исходя из личных предпочтений и удобств.
- Лыжи часто используют уже готовые. Стандартно лыжа состоит из следующих частей: основание, амортизатор, ножка звена, вилка, её стержень и сошка. Но есть варианты и собственного изготовления: из фанеры, пластика, металла.
- С помощью задней подвески привод соединяет двигатель и гусеницы.
- В качестве привода может быть использована цепь от мотоцикла.
- Топливный бак выбирают исходя из соображений безопасности, экономичности и практичности. Вместимость ёмкости (из пластика или металла) определяется соображениями необходимого преодоления расстояний.
- Сидение мастерят по индивидуальным предпочтениям на заказ, так как от удобства и комфорта будет зависеть управление снегоходом. Лучший выбор – это сидение, сделанноё из качественных материалов.
Изготовление культиватора из бензопилы «Урал»
Покупать мотокультиватор с целью обработки небольших придомовых участков в большинстве случаев неоправданно. Ведь помимо него, так или иначе, придется приобретать навесной инвентарь. Не нужно также забывать, что некоторые магазинные варианты довольно требовательны к маслам и топливу. В таком случае можно изготовить мотокультиватор из бензопилы своими руками. Самодельные агрегаты, также как и их дорогостоящие аналоги, состоят из таких элементов:
- Двигателя;
- Топливного бака;
- Рамы;
- Промежуточного вала.
Все эти составляющие, кроме рамы, можно взять у старой бензопилы. Перед тем, как приступить к изготовлению самоделки, необходимо подготовить приблизительный чертеж.
Он послужит своеобразным планом, по которому вы сможете сориентироваться в процессе изготовления. Дальнейший алгоритм создания выглядит следующим образом:
- Для начала раскрутите старую бензопилу и демонтируйте мотор, редуктор и топливный бак;
- После этого начните сваривать раму. Для ее изготовления используйте металлические уголки, сечением 32×32 мм. Конструкция должна быть достаточно прочной, и легко выдерживать вибрацию и дополнительный груз;
- К верхним поперечным уголкам рамы прикрепите мотор;
- Под двигателем на специальных кронштейнах установите и закрепите топливный бак. Нижнюю его часть потребуется защитить металлической пластиной;
- Опоры промежуточного вала следует закрепить на вертикальных передних стойках рамы;
- Для закрепления подшипников ходового вала, соедините опоры продольными уголками;
- Далее приступите к созданию органа управления – для этого подойдет металлическая поперечная перекладина, длиной 30 см.;
- При необходимости прикрепите к нижней поперечине рамы колеса – их можно «одолжить» у старого авто или купить два небольших колеса для хозяйственной тачки.
После сборки необходимо протестировать агрегат. Для этого заведите двигатель и пройдитесь с культиватором по грядке. Наверняка, вы заметите, что конструкцию требуется утяжелить. Для этого можно взять любой груз и расположить его в передней части каркаса. Обязательно закрепите утяжелитель, иначе он может сместиться под воздействием вибрации и повредить мотор или промежуточный вал.
Культиваторы, изготовленные на основе пилы «Урал», не будут иметь достаточной мощности для применения габаритного навесного оборудования. Они предназначаются для вспашки грунта, однако, их все же можно оборудовать сцепным устройством. Для этого нужно купить сцепку в любом магазине сельхозтехники и оборудовать ею конструкцию. Сконструированные таким образом культиваторы могут эксплуатироваться в паре с небольшой самодельной бороной или плугом. Однако нужно помнить, что при работе с такого рода оборудованием необходимо делать небольшие перерывы.
Двигатель
Этот агрегат считается самым ответственным механизмом снегохода. По сравнению с другими элементами конструкции, такими, как шина или цепь, двигатель должен работать исправно и без него снегоход даже с места не сдвинется. Поэтому, длительная работоспособность устройства будет зависеть от надежной и безотказной работы движка. Если хочется установить двигатель от бензопилы, импортного производства, то можно приобрести б/у «Штиль».
Еще одним по значимости элементом конструкции, от которого зависит безотказная работа снегохода, считается редуктор.
Звездочки
Сразу же бросается в глаза тот факт, что правый наконечник имеет шпоночный паз для установки и крепления звездочки цепной передачи. Это и есть звездочка вала гусеницы, которая надежно крепится с помощью гайки. Чтобы крепление было возможным, на наконечнике нарезается соответствующая резьба.
Наконечник натяжного вала имеет такие же габаритные размеры, а крепление элементов конструкции осуществляется аналогично креплению звездочки вала гусеницы.
На первой ступени передачи должна находиться звездочка с наибольшим передаточным числом (количеством зубьев). На двигателе бензопилы «Урал» можно насчитать 38 зубьев.
Рулевое управление
На самодельном устройстве можно установить руль любой конструкции и даже от велосипеда
В данном случае, очень важно вывести на руль ручное управление оборотами двигателя. Чтобы сильно не заморачиваться, лучше использовать руль от мопеда, мотороллера и т.д., где уже предусмотрен механизм управления мощностью двигателя
Это позволит сделать конструкцию более надежной и удобной в управлении.
Снегоход из бензопилы
Прежде чем приступить к изготовлению снегохода из бензопилы, необходимо выбрать оборудование, которое будет обладать всеми необходимыми характеристиками. Оптимальный вариант для этой цели — бензопила «Дружба», «Урал» и «Штиль» (мощность этих инструментов идеально подходит для создания скоростных снегоходов).
Важно! Двигатель и редуктор – основные детали бензопилы, которые используются в процессе работы. Конструкция снегохода состоит из четырех частей:. Конструкция снегохода состоит из четырех частей:
Конструкция снегохода состоит из четырех частей:

Сборка самодельного снегохода производится не по какой-то предложенной схеме или стандартному чертежу, а исходя из материалов и инструментов, которые есть в распоряжении мастера.
Инструкция по сборке снегохода из бензопилы
Сборка изделия – достаточно интересная работа. Она состоит из нескольких последовательных этапов, которые должны выполняться аккуратно и ответственно.
Первый этап – это сборка каркасной основы будущего самодельного снегохода. Для работы потребуются стальные уголки (размер – 50 х 36 см) или стальные листы (толщина – не менее 2 мм). Из уголков делают среднюю часть конструкции, а из листов – переднюю и заднюю.
Аккуратно делают два сквозных отверстия под размещение вала гусеничного механизма и направляющих устройств гусеничных колес (натяжные устройства устанавливаются с обеих сторон лонжеронов).
Важно! Переднее устройство специально предназначено для натяжения второй ступени натяжной передачи, оно также помогает в регулировке самой гусеницы
- К нижней части лонжеронов аккуратно приваривают специальные кронштейны (их крепят на одинаковом удалении друг от друга), в их открытые пазы и устанавливают опорные катки.
- Катки (в резиновых чехлах) располагают на пяти осях, каждый из которых крепят с нижней стороны открытых пазов.
- Между каждым из элементов устанавливают специальные втулки из дюралюминия (они изготавливаются из подходящей трубы).
- Сами оси кронштейнов крепят при помощи гаек и контргаек (они предназначены для усиления рамы снегохода, удерживают лонжероны на определенном расстоянии друг от друга).
- Из трех металлических уголков делают стойки для крепления подготовленного редуктора бензопилы, устанавливают промежуточный вал цепной передачи.
- На подготовленный каркас устанавливают сиденье для пользователя (для этих целей используют подходящий ящик или автомобильное кресло), его фиксируют на участке между средней и задней частью конструкции.

- На переднем участке каркаса делают отверстие для размещения руля, его делают из трубы с приваренными ручками управления.
- В местах крепления стоек снегохода устанавливают металлические косынки (они укрепляют конструкцию, делают ее более прочной и надежной).
Важно! Чтобы будущий самодельный снегоход обладал хорошей проходимостью по заснеженной местности, его оснащают гусеничным механизмом
- Из металлической трубы изготавливают вал привода снегохода, в него вставляют специальный круглый фланец для крепления зубчатых колес.
- Для создания рулевого управления применяют оборудование из старых мотоциклов или мопедов с трехрычажным управлением.
Готовый снегоход имеет небольшой вес, легко размещается в багажник автомобиля для транспортировки на большие расстояния. Его управление настолько простое и понятное, что даже ребенок с легкостью может ним пользоваться.
Рекомендации профессионалов
Нужно помнить о том, что самодельная снегоходная машина является транспортным средством. Специалисты рекомендуют не забывать об этом. Даже если имеется многолетний опыт управления мотоблоком, после переделки к новой машине надо привыкнуть. Нельзя сразу на большой скорости осваивать снежные сугробы и неизвестную местность. Маневренность снегохода за счет жесткой сцепки с санями уменьшается. Увеличивается опасность переворачивания на сложной трассе.
Детей катают на небольшой скорости по ровной местности
Непременно в санях захотят прокатиться дети. Нельзя лишать такого удовольствия, но вновь надо вспомнить о технике безопасности. Трассу выбирают ровную, едут на малой скорости. Можно сделать поезд из нескольких волокуш.
На видео снегоход самоделка своими руками из мотоблока:
Аэросани для рыбалки
Оптимально, если они будут:
- Иметь положительную плавучесть
- Иметь съёмный движитель с возможностью переставить его летом на лодку
Если аэросани могут использоваться как полноценная лодка, то снимать двигатель на летний период нет необходимости.
В основном аэросани делают любители рыбалки в сельской местности, живущие рядом с большими водными просторами. Использовать их рациональнее всего в весеннее время по чистому льду, когда покрытие снега на нём минимально. Здесь весьма веские доводы в пользу того, чтобы отказаться от классической лыжной конструкции, а на днище использовать классическое для глиссеров трёхрёберное.
Рёбра жёсткости при этом делают усиленными, чтобы они могли выполнять функцию коньков. Когда на льду будет вода, это облегчит движение. Аэросани при этом будут выходить на почти полноценный режим глиссирования, снижая сопротивление среды. Летом такой корпус будет полноценной лодкой, у которой высокие мореходные качества — преодоление мелких подтопленных кос и порогов на реке не будет для неё такой проблемой, как для обычной моторной лодки.
Однако использовать «Казанку» или старенький «Прогресс» для таких вещей нежелательно. Дело в том, что их днище обладает недостаточной прочностью. Да и амортизация при этом будет страдать. А от жёстких ударов днище ещё более будет разваливаться. Конструкция большинства современных аэросаней и аэролодок для рыбалки предполагает наличие жёсткого днища, которое имеет надувную палубу с поликом. Тем самым происходит гашение ударов при движении. Другие конструкции следует признать не слишком пригодными.
Как сделать снегоход из бензопилы
Снегоход изготавливается по одной из 2 схем:
- одногусеничная (2 лыжи спереди, 1 гусеница сзади);
- двухгусеничная (1 лыжа спереди, 2 гусеницы сзади).
Любое снегоходное устройство имеет следующую конструкцию:
- Двигатель.
- Система питания.
- Система впрыска масла.
- Трансмиссия.
- Ходовая часть.
- Рулевое управление.
- Корпус.
- Электрическое оборудование.
Перед тем как приступить к изготовлению самодельного снегохода из бензопилы и его дальнейшей сборке, необходимо спроектировать чертежи всех рабочих узлов и общего вида транспортного средства. Каждую сборочную единицу лучше начертить по отдельности и вынести размеры.
В процессе разработки учитывают марку бензинового инструмента.
Хорошо подходят такие модели, как Дружба, Урал и Штиль.
Мотопила Дружба отличается простой конструкцией. Недостатком является малая мощность мотора (1 кВт) при большой массе инструмента (12 кг).
Урал имеет вес 11,7 кг и мощность двигателя 3,68 кВт.
- способность работать при низких температурах;
- высокая экологичность.
Выбор при изготовлении снегохода из бензопилы своими руками можно остановить на марке Штиль. Она характеризуется бесшумностью во время эксплуатации, мощностью в 1,5 кВт, при этом имеет номинальную массу всего 3,9 кг.
Стойки
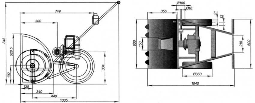
Начальный этап — изготовление основы рамной конструкции из сварных лонжеронов. Для средней части используют уголки 50х63 мм из закаленной стали, передняя и задняя выполняются из стали S2 с отбортовкой под углом 90°. Во всех элементах должны быть предусмотрены отверстия одинакового диаметра для монтажа с гусеничным колесом и приводным валом. Снизу рамы привариваются кронштейны для опорных катков.
Стойки делают из уголков 30х30 мм и соединяют металлическими поперечинами. В результате должна получиться конструкция в виде небольшого портала. Для места крепления редуктора мотопилы и вала цепной передачи необходима площадка. Выбирают листовую сталь необходимого размера, чаще толщиной 2-3 мм, и сварочным способом прикрепляют к центру правой стороны модуля и порталу.
Сзади портала и одновременно на середине модуля формируют место под сиденье, которое впоследствии изготавливается из досок и ткани или снимается в готовом виде из старой техники, например, мопеда.
К балке, в качестве которой берут стандартную водопроводную трубу радиусом 0,75 мм, устанавливают передний лонжерон и траверсу ведущего моста. С обоих концов приваривают втулки рулевых лыж, по центру — стойку для моторного подрамника. Места крепления опор для прочности и устойчивости конструкции усиливаются металлическими 2-миллиметровыми косынками.
Гусеница
В качестве гусеницы используют механизм от агрегата Буран, укорачивают ленту на 0,75-1 м. Шестерни зубчатой передачи высаживают на поперечные валы, затем укладывается полотно. Зубчатое колесо гусеницы делают из капронового листа размером 15 мм.
Приводной вал
Для изготовления приводного вала берут металлическую трубу диаметром 14 мм, сверху устанавливают фланцы для фиксирования зубьев колес. На концах механизма впрессовывают и приваривают наконечники-цапфы с предусмотренным местом под подшипники.
Двигатель
Двигатель снегохода — самый главный узел, который влияет на работу всей самоходной техники. Поэтому специалисты рекомендуют использовать силовую установку от бензопилы Штиль с мощностью двигателя 1,5-3 кВт. Мотор крепят на устойчивую опору поперечной балки. Редуктор проворачивают на 180°, фиксируют на площадке, также монтируют промежуточный вал 2-ступенчатой передачи. Сверху устанавливают топливный бак.
Звездочки
Приводная звездочка с внутренней шпонкой из Ст20 к валу прикреплена гайкой М12 с пружинной шайбой. Для точной фиксации на наконечнике нарезают резьбу нужного параметра. При этом учитывают, что 1 ступени передачи соответствует большая звездочка с максимальным передаточным числом (на двигателе от «Урала» насчитывают 38 зубьев), 2 ступени — маленькая ведущая звездочка с 10 зубьями.
Цепи — стандартного типа, имеющие шаг около 16 мм.
Тормозная система
Если снегоход рассчитан на езду с небольшой скоростью до 30 км/ч, то тормозную систему можно не предусматривать. Остановка транспорта осуществляется трением в ходовой и трансмиссионной системах.
Рулевое управление
Управление — рулевое на опорно-рулевых лыжах. Опорные рычаги жестко соединяются с сошкой рулевого вала. Руль двуручный, с правой стороны монтируется газовая рукоятка.

























































